滾子鏈是一種用于傳送機械動力鏈條,廣泛應用與家庭、工業和農業機械,其中包括輸送機、繪圖機、印刷機、汽車、摩托車、以及自行車。它由一系列短圓柱滾子鏈接在一起,由一個稱為鏈輪的齒輪驅動。這是一個簡單,可靠,高效的動力傳遞裝置。

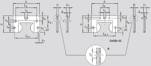
| A | 77.0 | |
| A1 | 2.0 | |
| D | 6 | |
| D1 | 9.00 | |
| E8 | 62.9 | |
| E8.1 | 69.6 | |
| E9 | 16.0 | |
| E9.1 | 35.8 | |
| H | 49.8 | |
| S21) | 7 | |
| S3 | 5 | |
| S4 | 4 | |
| 重量 g | 71 |

機床、木工機械、激光切割等