博世力士樂滾柱導軌導向系統是結構緊湊的滾柱承載的線性導向產品,具有極高的承載能力和剛度。滾柱導軌導向系統規格范圍涵蓋25到125,應用場合非常廣泛,包括機床、印刷機械、造紙機、噴涂裝置、工業機器人、壓機和重型機械設備等。優勢:1,4個主要承載方向上極高的負載能力.2,高轉矩承載能力.3,優化的滾柱循環系統和導向元件設計實現了平穩、安靜的運行.4,標配端部密封.5,優化的潤滑通道設計大限度減少了潤滑劑消耗.6,所有側面都有潤滑接口,方便進行維護.7,導軌可選配防護帶,安裝方便.8,可集成感應、無磨損測量系
.gif)
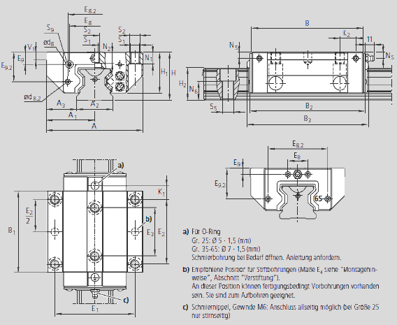
| A | 170 | |
| A1 | 85 | |
| A2 | 63 | |
| A3 | 53.5 | |
| B | 206.0 | |
| B1 | 146.0 | |
| B2 | 216.5 | |
| B3 | 218 | |
| d8 | 8 | |
| d 8.2 | 8 | |
| E1 | 142 | |
| E2 | 110 | |
| E3 | 82 | |
| E8 | 35.0 | |
| E 8.2 | 106.00 | |
| E9 | 9.30 | |
| E 9.2 | 55.00 | |
| H | 90 | |
| H1 | 76 | |
| H2 1) | 58.15 | |
| H2 2) | 57.85 | |
| K1 | 29.80 | |
| K2 | 33.00 | |
| N1 | 23 | |
| N2 | 21.5 | |
| N5 | 9.3 | |
| N6 ±0.5 | 36.5 | |
| S1 |
14.5 |
|
| S2 | M16 | |
| S5 | 18 | |
| S93) | M4-7深 | |
| T24) |
75.0 |
|
| V1 | 15.0 | |
| 重量 | 12.0 | |
| 額定載荷C | 207 000 | |
| 額定載荷 C0 | 382 000 | |
| 額定轉矩 Mt | 7 300 | |
| 額定轉矩 Mto | 13 500 | |
| 額定轉矩 ML | 4 590 | ![]() |
| 額定轉矩 ML0 | 8 470 | ![]() |
1)尺寸H2帶防護帶
2)尺寸H2不帶防護帶
3)用于附加件的螺紋
4)尺寸T2 =導軌安裝孔間距

機床、木工機械、激光切割等