博世力士樂滾珠導套和軸的品質經過數十年的驗證,適用于通用機械、專用機械、夾具和眾多特殊的應用場合。 博世力士樂提供多種標準款式產品。eLINE系列滾珠導套和直線導套組件采用無間隙結構。 它們已經預加潤滑脂,因此在整個壽命周期內均保證潤滑效果。產品規格范圍適用于軸徑8mm至40mm的軸。博世力士樂產品包括采用熱處理鋼、不銹鋼或鍍硬鉻處理的各種不同公差等級的軸。因此,應用范圍廣泛,包括腐蝕性環境。

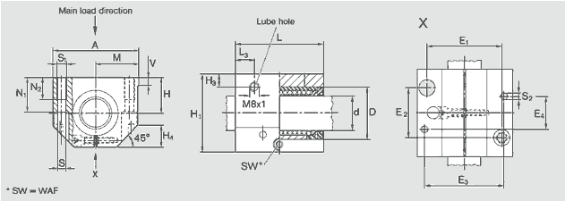
| ød | 10 | |
| D | 19 | |
| H 1) (+0.008,-0.016) | 16 | |
| H1 | 31.5 | |
| M1) ±0.01 | 20 | |
| A | 40 | |
| L | 36 | |
| E1 | 29±0.15 | |
| E2 | 20±0.15 | |
| E3 | 31 | |
| E4 | 29 | |
| S 2) | 4.3 | |
| S1 | M5 | |
| S23) | 4 | |
| N1 | 15 | |
| N2 | 11 | |
| H3 | 10 | |
| L3 | 10.5 | |
| V | 5 | |
| SW | 2.5 | |
| H4 | 10 | |
| 徑向間隙(um) | +36 +9 | |
| 額定載荷4) (N) C | 730 | |
| 額定載荷4) (N) C0 | 380 | |
| 重量(KG) | 0.10 |

機床、木工機械、激光切割等