博世力士樂滾珠導套和軸的品質經過數十年的驗證,適用于通用機械、專用機械、夾具和眾多特殊的應用場合。 博世力士樂提供多種標準款式產品。eLINE系列滾珠導套和直線導套組件采用無間隙結構。 它們已經預加潤滑脂,因此在整個壽命周期內均保證潤滑效果。產品規格范圍適用于軸徑8mm至40mm的軸。博世力士樂產品包括采用熱處理鋼、不銹鋼或鍍硬鉻處理的各種不同公差等級的軸。因此,應用范圍廣泛,包括腐蝕性環境。

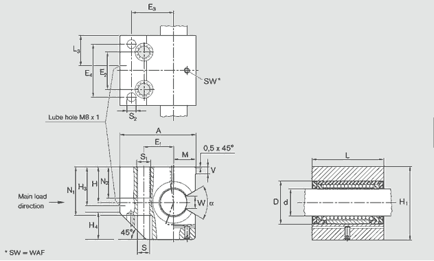
| ød | 40 | |
| D | 62 | |
| H 1) (+0.008,-0.016) | 45 | |
| H1 | 100 | |
| M1) ±0.01 | 32 | |
| A | 110 | |
| L | 91 | |
| E1±0.15 | 43 | |
| E2±0.15 | 48 | |
| E3 | 60 | |
| E4 | 68 | |
| S 2) | 15.5 | |
| S1 | M20 | |
| S23) | 12 | |
| N1 | 67 | |
| N2 | 30 | |
| V | 10 | |
| SW | 4 | |
| W 4) | 19.5 | |
| H3 | 50 | |
| L3 | 40 | |
| H4 | 38 | |
| 角度a(o) | 56 | |
| 徑向間隙(um) | +35 -3 | |
| 額定載荷4) (N) C | 8620 | |
| 額定載荷4) (N) C0 | 4480 | |
| 重量(KG) | 2.0 |

機床、木工機械、激光切割等