博世力士樂滾珠導套和軸的品質經過數十年的驗證,適用于通用機械、專用機械、夾具和眾多特殊的應用場合。 博世力士樂提供多種標準款式產品。eLINE系列滾珠導套和直線導套組件采用無間隙結構。 它們已經預加潤滑脂,因此在整個壽命周期內均保證潤滑效果。產品規格范圍適用于軸徑8mm至40mm的軸。博世力士樂產品包括采用熱處理鋼、不銹鋼或鍍硬鉻處理的各種不同公差等級的軸。因此,應用范圍廣泛,包括腐蝕性環境。

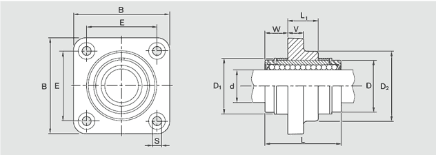
| ød | 25 | |
| B | 74 | |
| L | 58 | |
| L1 | 23 | |
| D | 40 | |
| D1+0.8 | 43 | |
| D2 | 54 | |
| E | 54±0.15 | |
| S H13 | 6.6 | |
| V | 12 | |
| W | 17.5 | |
| 徑向間隙(um)軸h6 | +43 +11 | |
| 額定載荷4) (N) C | 3950 | |
| 額定載荷4) (N) C0 | 2180 | |
| 重量(KG) | 0.57 |

機床、木工機械、激光切割等