博世力士樂滾珠導套和軸的品質經過數十年的驗證,適用于通用機械、專用機械、夾具和眾多特殊的應用場合。 博世力士樂提供多種標準款式產品。eLINE系列滾珠導套和直線導套組件采用無間隙結構。 它們已經預加潤滑脂,因此在整個壽命周期內均保證潤滑效果。產品規格范圍適用于軸徑8mm至40mm的軸。博世力士樂產品包括采用熱處理鋼、不銹鋼或鍍硬鉻處理的各種不同公差等級的軸。因此,應用范圍廣泛,包括腐蝕性環境。

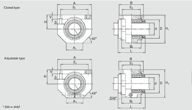
| ød | 8 | |
| D | 16 | |
| H | 15 | |
| H1 | 28 | |
| L | 25 | |
| A | 32 | |
| A1 | 16 | |
| B | 28 | |
| B1 | 14 | |
| E1 | 25±0.15 | |
| E2 | 20±0.15 | |
| S | 3.4 | |
| V | 5 | |
| SW | 2 | |
| 徑向間隙(um) | 出廠時用h5的軸(公差下限)在擰緊的狀態下,做了無間隙調整 | |
| 公差用于尺寸H | +16 -17 | |
| 額定載荷 (N) C | 320 | |
| 額定載荷(N) C0 | 240 | |
| 重量(KG) | 0.09 |

機床、木工機械、激光切割等