博世力士樂滾珠導套和軸的品質經過數十年的驗證,適用于通用機械、專用機械、夾具和眾多特殊的應用場合。 博世力士樂提供多種標準款式產品。eLINE系列滾珠導套和直線導套組件采用無間隙結構。 它們已經預加潤滑脂,因此在整個壽命周期內均保證潤滑效果。產品規格范圍適用于軸徑8mm至40mm的軸。博世力士樂產品包括采用熱處理鋼、不銹鋼或鍍硬鉻處理的各種不同公差等級的軸。因此,應用范圍廣泛,包括腐蝕性環境。

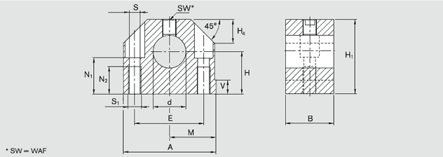
| ød | 30 | |
| dH8 | 30 | |
| H±0.01 | 40 | |
| H1 | 70 | |
| M±0.01 | 43.5 | |
| A | 87 | |
| B | 40 | |
| E±0.15 | 64 | |
| S | 10.5 | |
| S1 | M12 | |
| N1 | 34 | |
| N2 | 26 | |
| V | 8 | |
| H4 | 22 | |
| SW | 5 | |
| 擰緊力矩(Nm) | 30 | |
| 重量:(KG) | 0.48 |

機床、木工機械、激光切割等