博世力士樂滾珠導套和軸的品質經過數十年的驗證,適用于通用機械、專用機械、夾具和眾多特殊的應用場合。 博世力士樂提供多種標準款式產品。eLINE系列滾珠導套和直線導套組件采用無間隙結構。 它們已經預加潤滑脂,因此在整個壽命周期內均保證潤滑效果。產品規格范圍適用于軸徑8mm至40mm的軸。博世力士樂產品包括采用熱處理鋼、不銹鋼或鍍硬鉻處理的各種不同公差等級的軸。因此,應用范圍廣泛,包括腐蝕性環境。

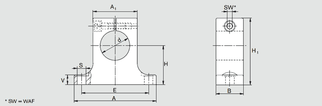
| ød | 80 | |
| dH8 | 80 | |
| H | 100±0.010 | |
| H1 | 160 | |
| A | 200 | |
| A1 | 130 | |
| B | 60 | |
| E | 170±0.50 | |
| S | 17.5 | |
| V | 22 | |
| SW | 10 | |
| 重量:(KG) | 7.30 |

機床、木工機械、激光切割等