博世力士樂滾珠導套和軸的品質經過數十年的驗證,適用于通用機械、專用機械、夾具和眾多特殊的應用場合。 博世力士樂提供多種標準款式產品。eLINE系列滾珠導套和直線導套組件采用無間隙結構。 它們已經預加潤滑脂,因此在整個壽命周期內均保證潤滑效果。產品規格范圍適用于軸徑8mm至40mm的軸。博世力士樂產品包括采用熱處理鋼、不銹鋼或鍍硬鉻處理的各種不同公差等級的軸。因此,應用范圍廣泛,包括腐蝕性環境。

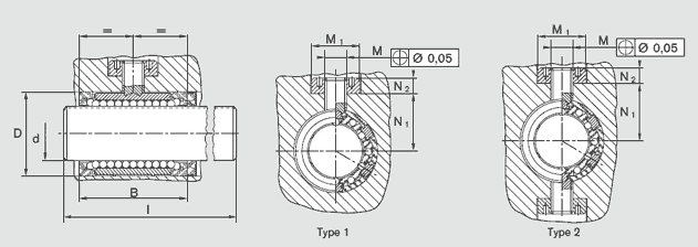
| ød | 50 | |
| D | 75 | |
| B | 100 | |
| M | M16X1.5 | |
| M1+0.1 | 34 | |
| N1 | 52 | |
| N2 | 12.5 | |
| 標準長(mm) | 600 | |
| 額定扭矩Mt(Nm) | 167 | |
| 額定載荷(N) C | 9250 | |
| 額定載荷(N) C0 | 6470 | |
| 重量滾珠導套(KG) | 0.680 | |
| 重量軸(KG/m) | 15.30 |

機床、木工機械、激光切割等